My final Gateway version
-
My production Gateway is still on a breadboard with a normal NRF24L01+ radio - so not the long range. After 11 years it's time to get rid of that breadboard setup- as it's collecting dust - and make a final PCB for it, so that I can put it in a decent housing. Also a good moment to upgrade from MySensors 2.0.0 to the latest release as I haven't upgraded that Gateway for years.
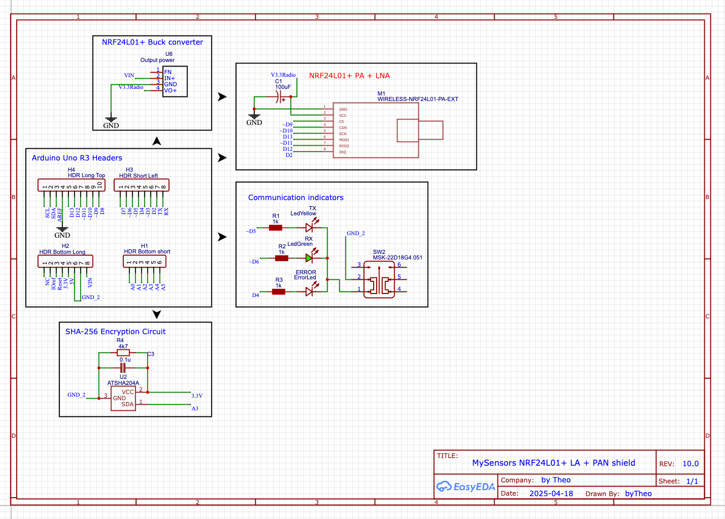
My plan is to power the gateway from the barrel jack on the Arduino UNO and I also want to replace that normal NRF24L01 with a PAN LNA version. Now I know that extending the range consumes a lot of power. That's why I wanna power the Arduino from the power jack as it can handle 2 Amps. And then use a buck converter that grabs it's power from the VIN pin on the Arduino, to lower the voltage to 3.3V for the radio.
Well that is the plan at least. The official documentation says that you can provide power through the barrel and use the USB.
Here's the schematic for my Uno shield
:

My question is: How much current does the NRF24L01 PAN LNA draw when set to RF24_PA_HIGH? Question answered 13 mA at max strength.
For now it remains Work In Progress
Edit 1:
I had this idea already over 11 years ago, but at the time I didn't have enough knowledge and skills. Then later when I had learned those I didn't have the time :).The idea is to mount all components - including the NRF24L01+ PA LNA breakout on the underside of the Uno shield. There's a crazy amount of unused surface space on the Uno so in theorie it should work. I wanted to try it out so I could come up with a very compact design.
There's one catch though. If I would ground plate the whole shield I would create a cage of Farraday - if that is the Engish term - so I only ground plated the parts where my power regulation and encryption parts are. Nothing near the radio. Not sure if it would influence the NRF or the Arduino, but better safe than sorry.
So Today while it was snowing outside, I mocked up an Arduino Uno and my shield in Free Cad - I'm using 14.8 mm header pins so that should be around 15.6 mm spacing between the boards.
This is how the front looks, with the shield mounted on top of the Arduino Uno. The spacers will be 3d printed. The two rectangles on the top left are the positions of a slide switch. I use it to turn off the led indicators, as 99.9% of the time you don't need them. But for 0.1% the time I'm happy that they are their.
On the right of the sliding switch there are three 2 mm Leds and on the right of those there's the RP SMA connector of the NRF breakout board.

This is a side view there's plenty enough space between the shields.

And here's the other side view. With the board thickness added it will be around 18.2 mm thick - that is without the pins of the trough hole components. But I'm confident I can keep the height of the case around or a bit above 250 mm - 1 inch.

The compacter I can get it the more happier I will be, because I'm planning on mounting all my Home Automation stuff in a server rack so that I can all hook it up to a decent UPS.
Now I have to wait for my PCB to arrive. I already discovered my screw holes are a bit off, but I fixed it. So I need to order a revision. But first I will wait for the one I ordered to arrive, so I can check if I got the pin header spacing's correct.
-
@mfalkvidd Than I'll order a first prototype if this version. I might even swap the buck converter for an AMS11173V. I always thought it would draw much more current when sending.
-
Added some 3d sketches so you can see what I'm trying to accomplish. Unless ofc someone will tell me this is a bad idea